محمل أسطواني NUP1052 MC3
القفص: قفص نحاسي: M/EM؛ قفص فولاذي: E/بدون لاحقة؛ قفص نايلون: TVP/ECP؛
النوع: NU NJ NUP N RN NF SL NCF
صف مزدوج: NN NNU
أربعة صفوف: FC FCD
المزايا:
قدرة تحمل عالية جدًا للأحمال الشعاعية: أعلى قدرة تحمل للأحمال الشعاعية بين محامل الأسطوانات (لحجم معين).
أداء جيد عند السرعات العالية: مناسب للتطبيقات عالية السرعة والحمل الثقيل مثل المحركات الكبيرة، ومغازل أدوات الآلات، وتوربينات الرياح.
تصميم قابل للفصل: معظم الأنواع قابلة للفصل، مما يسهل عملية التركيب والفك.
المحركات الكهربائية الكبيرة والمتوسطة الحجم، والقاطرات وعربات السكك الحديدية، ومغازل أدوات الآلات، ومحركات الاحتراق الداخلي، والمولدات، والتوربينات الغازية، وعلب التروس، ومطاحن الدرفلة، والشاشات الاهتزازية، وآلات الرفع والنقل، إلخ.
محمل أسطواني NUP1052 MC3
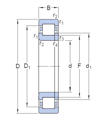
د |
260 مم |
قطر التجويف |
د |
400 مم |
القطر الخارجي |
ب |
65 مم |
عرض |
د1 |
≈351.55 مم |
قطر كتف الحلقة الخارجية |
ف |
296 مم |
قطر كتف الحلقة الداخلية |
ج0 |
720 كيلو نيوتن |
تصنيف الحمل الديناميكي الأساسي |
C0r |
965 كيلو نيوتن |
تصنيف الحمل الساكن الأساسي |
≈م |
29.3 كجم |
وزن |

