UCFL 207 محمل كتلة الوسادة
محمل كروي داخلي: UC UK SA SB
غلاف المحمل: حديد الزهر؛
النوع: UCF UCP UCFL UCT UCFC UCHA UCPA UCPH UCFS UCFB UCFW
المزايا:
محاذاة ذاتية وتركيب سهل: يعوض عن عدم محاذاة التركيب بين العمود والهيكل. سهل التركيب والصيانة.
مشحمة ومغلقة مسبقًا: عادةً ما تأتي مشحمة ومغلقة مسبقًا، وهي مناسبة للبيئات القاسية.
تطبيقات واسعة: تصميم صغير الحجم، يستخدم عادة في أعمدة النقل، والآلات الزراعية، وأنظمة النقل.
غلاف محمل عمودي (P)، غلاف محمل عمودي ضيق (PA)، غلاف محمل عمودي عالي المركز (PH)، غلاف محمل مربع (F)، غلاف محمل مربع بارز (FS)، غلاف محمل دائري بارز (FC)، غلاف محمل معيني (FL)، غلاف محمل حلقي (C)، غلاف محمل منزلق (T)، غلاف محمل معلق (HA)، غلاف محمل معيني قابل للتعديل (FA)، غلاف محمل معلق (FB)؛ تشمل أغلفة المحامل المختومة المتطابقة بشكل شائع الغلاف المختوم الدائري (PF)، الغلاف المختوم المعيني (PFL)، الغلاف المختوم المثلث (PFT)، والغلاف المختوم العمودي (PP).
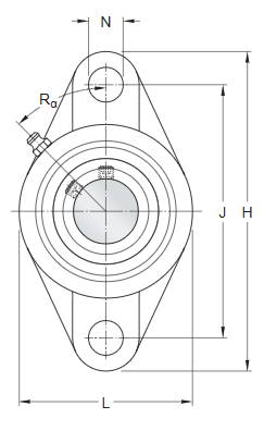
محمل وسادة UCFL 207

د |
35 ملم |
قطر التجويف |
ل |
90 ملم |
طول |
ح |
161 مم |
ارتفاع |
ت |
44.4 ملم |
عرض |
≈م |
1.2 كجم |
وزن |

